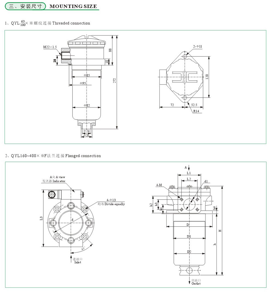
QYL系列回油過濾器
簡述:
QYL系列回油過濾器的特點:
作為高性能過濾器可安裝在液壓系統的回油管路上;或設置在液壓系統的回油口,安裝在油箱蓋板上。
(1)結構緊湊,若安裝在油箱蓋板上僅有一小部分濾頭露出。
(2)設置有污染堵塞發訊器和旁通閥;
(3)精選高性能玻璃纖維過濾材料,通油阻力小、納污能力大、過濾效率高。
詳情介紹

